Auto down on both windows
Hello everyone!
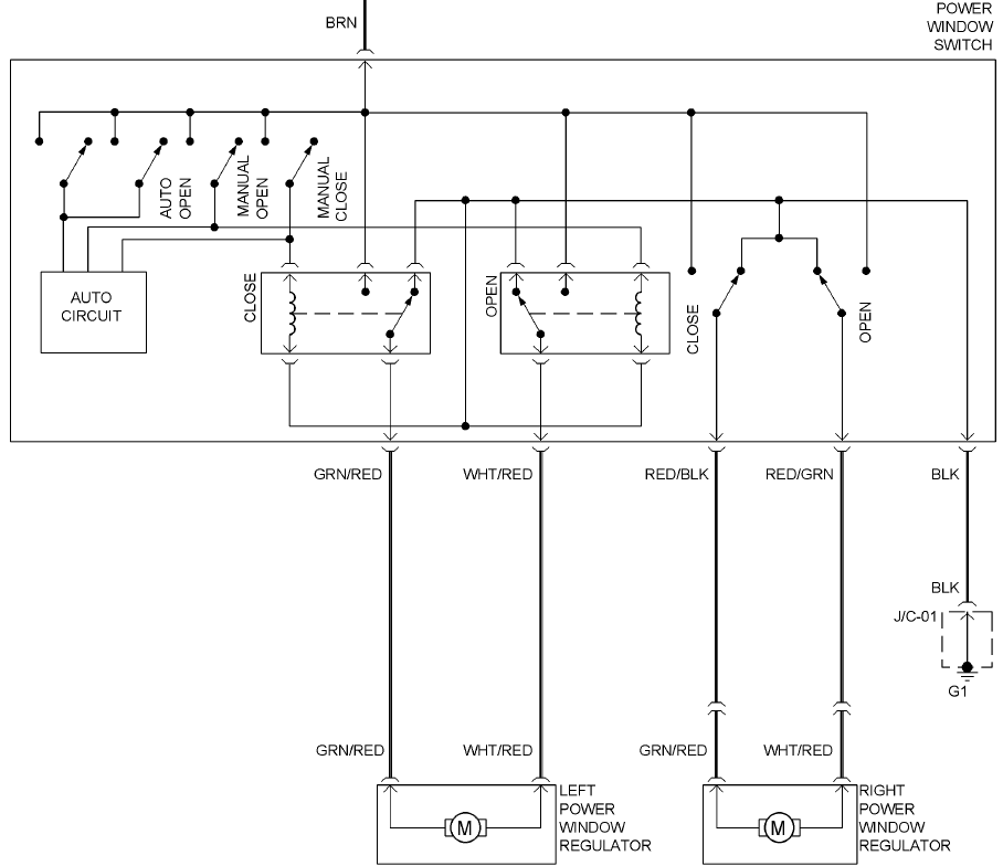
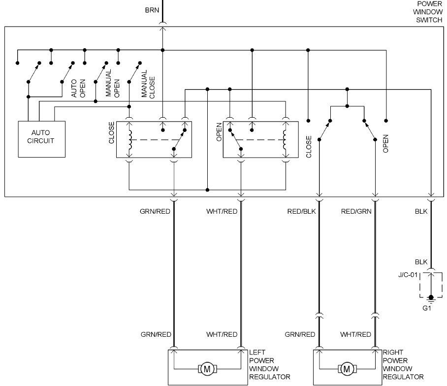
I am looking at doing an auto down for both windows. I have been to the dealership to see if I can get just a drivers side switch, but it comes as one unit.
I have looked at the wiring diagram, but can't seem to figure out where the signal for auto down comes out at. Will I have to tear down the whole switch assembly?
I am looking at doing an auto down for both windows. I have been to the dealership to see if I can get just a drivers side switch, but it comes as one unit.
I have looked at the wiring diagram, but can't seem to figure out where the signal for auto down comes out at. Will I have to tear down the whole switch assembly?
No I did not get it figured out. There is an auto-down adn it has a built in resistance checker that checks on the motor, when it hits a stop either up or down it essentially spikes and trips something causing the power to stop. Sorry for such a short reply, it was 11 years ago. I will do some research on it later on and post back.
Thread
Thread Starter
Forum
Replies
Last Post
RedTurboMiata
Local Meets, Events and Tech Days
7
Mar 14, 2012 04:37 PM
MF-Brain
Local Meets, Events and Tech Days
16
Jan 27, 2012 09:42 PM



